直流恒流電源是電網電壓及其他影響量在一定范圍內改變時,能提供穩定輸出電流的直流電源設備。廣泛應用于電力直流屏系統、工控、通信、科研、蓄電等設備。
什么是直流恒流電流

是一種寬頻譜,高精度穩流電源,具有響應速度快,恒流精度高、能長期穩定工作,適合各種性質負載(阻性、感性、容性)等優點。主要用于檢測熱繼電器、斷路器、小型短路器及需要設定額定電流、動作電流、短路保護電流等生產場合。
恒流源原理

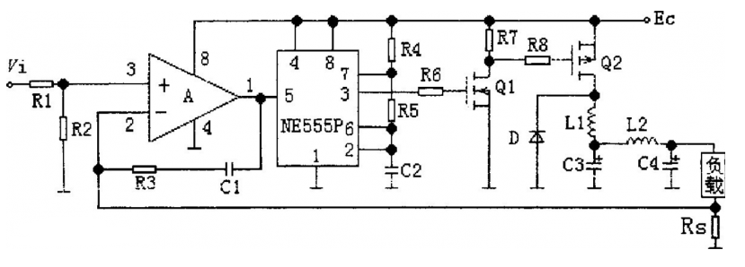
以上圖的電路為例,控制電壓 Vi 經 R1、R2 分壓后加到運放 A 的輸入端,運放的輸出信號作為NE555P的調制信號。NE555P③腳輸出的 PWM 信號控制 Q1,驅動 Q1、Q2 交替工作在開關狀態;Q1 的工作頻率和占空比等于 NE555P③腳輸出電壓信號的頻率和占空比。Q2 導通時,D 處于截止狀態,直流電壓 EC 加在 D 的兩端,經 LC 濾波后對負載供電;Q2 截止時,輸入電壓為 0,D 在回路電感的作用下導通,構成續流回路,D 還可以削弱輸出信號電壓從高電平跳變到低電平時在感性負載兩端產生的反電動勢。RS 為取樣電阻。所以,控制電壓經運放后,控制脈位調制器輸出脈沖信號的占空比,改變 Q1、Q2 的開關時間,從而控制輸出電流的大小。
基本的恒流源電路主要是由輸入級和輸出級構成,輸入級提供參考電流,輸出級輸出需要的恒定電流。
①構成恒流源電路的基本原則
恒流源電路就是要能夠提供一個穩定的電流以保證其它電路穩定工作的基礎。即要求恒流源電路輸出恒定電流,因此作為輸出級的器件應該是具有飽和輸出電流的伏安特性。這可以采用工作于輸出電流飽和狀態的 BJT 或者 MOSFET 來實現。
為了保證輸出晶體管的電流穩定,就必須要滿足兩個條件:a)其輸入電壓要穩定——輸入級需要是恒壓源;b)輸出晶體管的輸出電阻盡量大(最好是無窮大)——輸出級需要是恒流源。
②對于輸入級器件的要求:
因為輸入級需要是恒壓源,所以可以采用具有電壓飽和伏安特性的器件來作為輸入級。一般的 pn 結二極管就具有這種特性——指數式上升的伏安特性;另外,把增強型 MOSFET 的源 - 漏極短接所構成的二極管,也具有類似的伏安特性——拋物線式上升的伏安特性。
③對于輸出級器件的要求:
如果采用 BJT,為了使其輸出電阻增大,就需要設法減小 Evarly 效應(基區寬度調制效應),即要盡量提高 Early 電壓。
如果采用 MOSFET,為了使其輸出電阻增大,就需要設法減小其溝道長度調制效應和襯偏效應。因此,這里一般是選用長溝道 MOSFET ,而不用短溝道器件。
直流恒流電源的作用
被廣泛應用于:電子電力、通信、科研、工業控制、儀器儀表、軍工、醫療、鐵路、電臺、國防、船白、電鍍電解、蓄電池、測試、工控設備及其他高科技領域通等。
烜芯微專業制造二極管,三極管,MOS管,橋堆等20年,工廠直銷省20%,4000家電路電器生產企業選用,專業的工程師幫您穩定好每一批產品,如果您有遇到什么需要幫助解決的,可以點擊右邊的工程師,或者點擊銷售經理給您精準的報價以及產品介紹
烜芯微專業制造二極管,三極管,MOS管,橋堆等20年,工廠直銷省20%,4000家電路電器生產企業選用,專業的工程師幫您穩定好每一批產品,如果您有遇到什么需要幫助解決的,可以點擊右邊的工程師,或者點擊銷售經理給您精準的報價以及產品介紹

