MOS管與晶閘管的區別
MOS管是單極性器件,晶閘管是半控器件。晶閘管的正極相當于MOS管的漏極,門極相當于MOS管的柵極,陰極相當于MOS管的源極。控制是有所區別的,晶閘管是半控型器件,MOS管是全控型器件。
金屬氧化物半導體場效應晶體管(MOSFET) ,簡稱氧半場效晶體管,是一種可以廣泛使用在模擬電路與數字電路的場效晶體管flild-effect transistor)。
該器件通過在柵極(G)_上施加電壓,使得源極(S)和漏極(D)之間導通,當撤去電壓或施加負電壓 ,則使得源極(S)和漏極(D)之間斷開。
晶閘管是晶體閘流管的簡稱,又被稱作可控硅整流器。晶閘管主要用于電力變換與控制,通過微小的信號功率對大功率的電力進行控制,具有體積小重量輕、耐壓高、容量大、效率高、控制靈敏、壽命長等優點。
晶閘管除了用于整流,還可以作為無觸點開關實現電力的逆變和變頻等變換。
半導體防護器件主要有半導體放電管. (TSS)、 瞬態抑制二極管( TVS)、 靜電防護元件(ESD)、高壓觸發二極管( SIDAC)等,可用于汽車電子、手機、戶外安防、電腦主機等各類需要防浪涌沖擊防靜電的領域,用于保護電子電路。
MOS管與晶閘管的控制方式不同
1、MOS管
隨著電子技術不斷進步,MOS管的種類有好幾種,我們最常見的有結型MOS管(FET管)和金屬氧化物半導體MOS管(MOSFET管)這兩類。
這兩類MOS管都有一個共同的特點,它們都是利用半導體內的電場效應來控制MOS管電流大小的,下面用金屬氧化物半導體MOS管來說明這個問題。
比如下圖的N溝道MOS管,當柵極與源極間的Ugs電壓大于一定值時,并且Uds大于零,這時Rds的等效電阻非常小,就可以有較大的電流由漏極流向源極,它們之間就好像用一根導線連起來一樣。

當柵極G與源極S間的Ugs電壓小到一定值的時候,或者Ugs電壓等于零的時候,那么漏極D和源極S之間的等效電阻就非常大,就像斷開的導線一樣無論如何是沒有電流通過的。
由此可見MOS管是通過在柵極和源極之間建立了一定的電壓后才控制了漏極與源極之間的接通的。
2、晶閘管
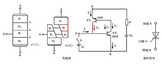
再說一說這個晶閘管,它是一個功率半導體器件,是在二極管的基礎上發展起來的,可用于整流半導體器件。
如何控制它的通斷,要使晶閘管導通要滿足兩個條件,第一個是要給晶閘管的控制極G加一個觸發信號,也就是在門極G和晶閘管的陰極K之間加一個足夠大的正向電流與電壓,
同時呢晶閘管的陽極要高于陰極,這樣陽極A與陰極K之間的等效電阻就非常小了,就像用導線連接起來一樣。

當要關斷晶閘管時,只要我們把陽極A與陰極K之間的電流減小到一定值的時候,這個晶閘管的陽極A與陰極K之間就像斷開一樣,無法有電流通過。或者我們把晶閘管的陽極A的電壓低于陰極K的電壓也可以關斷這個晶閘管。
通過上面的分析我們可以知道,MOS管與晶閘管的控制方式是不同的,MOS管是電壓控制其通斷的半導體器件,我們稱它是壓控型器件;
晶閘管的控制方式是由一定的電流值來觸發晶閘管的導通,我們俗稱它是流控型器件而且它是一個半控型半導體器件,也就是說晶閘管的門控極G只能控制晶閘管的導通而不能控制晶閘管的關斷。
MOS管與晶閘管的輸入電阻不同
MOS管的直流等效輸入電阻非常高,其阻值可以達到10九次方歐姆,對于MOSFET管來說最高可以達到10十五次方歐姆,鑒于這樣的特點來說由MOS管組成的電路功耗都比較小、它的穩定性和抗干擾能力都很強,所以現在很多集成芯片中都采用的是MOS管組成的集成電路,有的工作電壓可以低到2V以下。
而對與晶閘管組成的電路來說在輸入直流等效電阻方面它比較低、這樣就決定了它的功耗非常大,抗干擾能力遠不如MOS管,這也就說明了晶閘管組成的電路它的穩定性也不如MOS管。

MOS管與晶閘管的作用不同
我們從它們的組成結構可以看出,對于MOS管來說它可以放大信號,因此可以用在放大電路中作為放大器來用,也可以作為高速電子開關控制負載的通斷,
比如開關電源中的MOS管就起到這個功能,同時運用MOS管還可以實現調速控制,比如PWN波的調制輸出、令外在調光電路、調溫電路等都可以用到。
從晶閘管的工作過程來看它不能用來放大電路的信號,因此它是不可以作為器放大器來使用的。一般晶閘管用在整流電路和控制大負載電路中。
當它作為電子開關使用時,其工作頻率也沒有MOS管高,一般只能用在低速控制的場合。
電話:18923864027(同微信)
QQ:709211280
〈烜芯微/XXW〉專業制造二極管,三極管,MOS管,橋堆等,20年,工廠直銷省20%,上萬家電路電器生產企業選用,專業的工程師幫您穩定好每一批產品,如果您有遇到什么需要幫助解決的,可以直接聯系下方的聯系號碼或加QQ/微信,由我們的銷售經理給您精準的報價以及產品介紹

