50N06場效應管,50A 60V,50N06參數資料,50N06引腳圖,50N06封裝為DFN5*6,50N06中文資料規格書PDF
50N06 DFN5*6參數封裝:點擊查看

50N06封裝有DFN5*6/TO-252/TO-220/TO-220F
極性:NPN
Drain-Source Voltage 漏源電壓Vds:60V
Gate-Source Voltage 柵源電壓Vgs:±20V
Continuous Drain Current 漏極電流Id Tc=25℃:50A
Continuous Drain Current 漏極電流Id Tc=100℃:29A
Power Dissipation 功率損耗Pd:60W
Static Drain-Source On-Resistance 內阻ID=20A,VGS=10V:Typ:11mΩ Max 14mΩ
Junction and Storage Temperature Range 溫度范圍:-55~+175℃
50N06場效應管DFN5*6封裝尺寸:

50N06場效應管DFN5*6封裝尺寸:

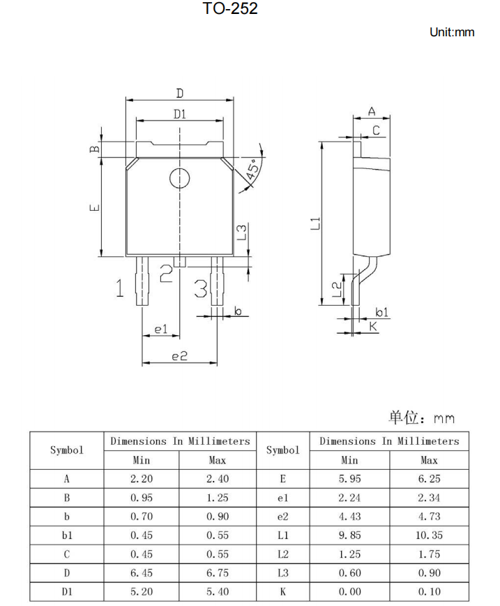
50N06場效應管TO-252封裝尺寸:

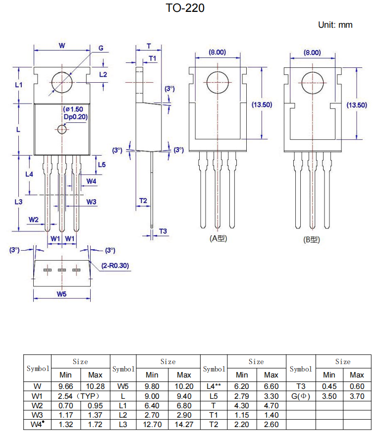
50N06場效應管TO-220封裝尺寸:

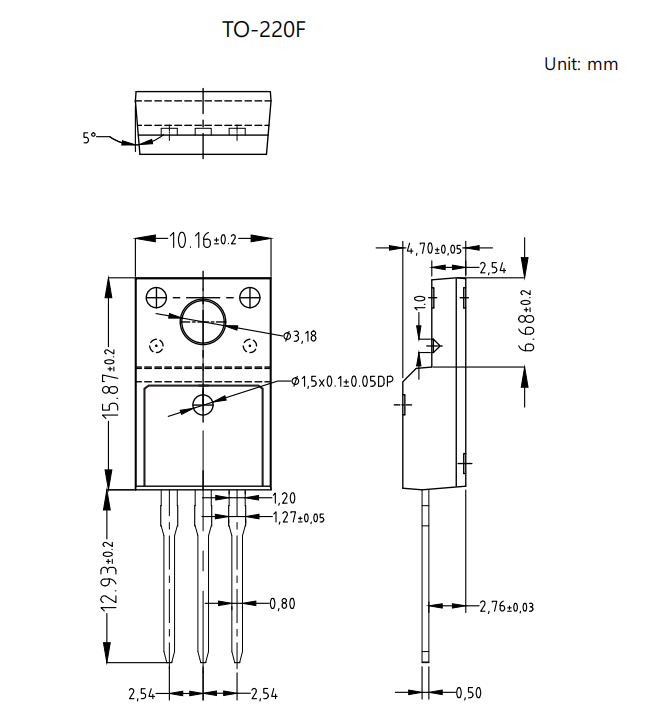
50N06場效應管TO-220F封裝尺寸:

〈烜芯微/XXW〉專業制造二極管,三極管,MOS管,橋堆等,20年,工廠直銷省20%,上萬家電路電器生產企業選用,專業的工程師幫您穩定好每一批產品,如果您有遇到什么需要幫助解決的,可以直接聯系下方的聯系號碼或加QQ/微信,由我們的銷售經理給您精準的報價以及產品介紹
聯系號碼:18923864027(同微信)
QQ:709211280


