74ls04引腳圖及功能介紹
74ls04引腳圖


74ls04引腳功能


74ls04封裝


74LS04是帶有6個非門的芯片,是六輸入反相器,也就是有6個反相器,它的輸出信號與輸入信號相位相反。六個反相器。共用電源端和接地端,其它都是獨立的。輸出信號手動負載的能力也有一定程度的放大。
反相器是可以將輸入信號的相位反轉180度,這種電路應用在模擬電路,比如說音頻放大,時鐘振蕩器等。在電子線路設計中,經常要用到反相器。
74LS04內部包含六個反向器,每個反向器都具有以下特點:
輸入:高電平(1)、低電平(0)。
輸出:輸入信號的邏輯反相輸出。
延遲時間:輸入信號到輸出信號之間存在一定的延遲時間。
在數字電路中,74LS04常用于對輸入信號進行反相處理、產生時鐘信號、生成脈沖等。例如,在計數器中,74LS04可以將計數器的輸入信號反相,從而實現計數器的正向計數和倒向計數,同時也可以用于計數器的清零操作。
需要注意的是,由于74LS04的輸出端為開漏輸出(open collector),因此如果要連接到負載上,需要額外添加上拉電阻進行驅動。
作為一種常用的數字電路芯片,74LS04具有高速、低功耗、可靠性高等優點,廣泛應用于各種數字電路設計中。
74ls04振蕩電路圖
74ls04振蕩電路一:環形振蕩器電路


圖中為帶有RC延遲電路的非門環形自激多諧振蕩器實驗電路。振蕩電路由非門IC1、IC2、IC3及定時電路元件RP、C等組成,由IC3輸出矩形波信號。R1為保護電阻器,避免定時電容器c反向放電時有可能造成IC3門電路損壞。非門IC4使振蕩器輸出波形較好的矩形波。
振蕩頻率估算f>1/2.3RC T>2.3RC
定時電阻器電阻值在100-10002范圍內選取,定時電容器C取值范圍較大,從幾百皮法(pF)至幾百微法范圍內選職,可以使振蕩頻率范圍從幾兆赫茲到幾赫茲。把定時電阻器換成電位器(1.5k92),能連續調節振蕩頻率,并且有較大的覆蓋率。用到的芯片有74ls04。
74ls04振蕩電路二:對稱方波振蕩器
圖中為非門對稱方波自激多諧振蕩器實驗電路,由于電路對稱,輸出振蕩波形占空比為1:1,為方波,故稱對稱方波振蕩器。
在振蕩電路中,非門IC1輸出端經過定時電容器C2耦合到非門IC2輸入端,同樣IC2輸出端經C1耦合到IC1輸入端,兩個非門通過電容器互相耦合形成正反饋閉環電路,因而能夠產生方波振蕩。當R1=R4=R,C1=C2=C時,振蕩頻率估算公式:
f≈1/RC


振蕩周期T≈RC。定時電阻器R1、R4取值為1~2.2kΩ,定時電容器C1、C2取值范圍較大,可以從幾十皮法至幾百微法,振蕩頻率范圍從幾赫茲到數兆赫茲。
74ls04振蕩電路三:簡易自激多諧振蕩器
圖中為簡易非門自激多諧振蕩器實驗電路,它由非門振蕩器IC1、IC2,反相器IC3,紅色、綠色發光二極管和電源GB供電系統組成。IC1、IC2作為振蕩器的開關環節,R1、C定時電路產生延時正反饋信號控制開關環節周期性的開通和關閉,使IC2輸出矩形波。反相器IC3使紅色、綠色發光二極管與振蕩器同步交替閃亮。


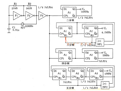
74ls04振蕩電路四:晶體振蕩器與分頻器(74ls04)電路

〈烜芯微/XXW〉專業制造二極管,三極管,MOS管,橋堆等,20年,工廠直銷省20%,上萬家電路電器生產企業選用,專業的工程師幫您穩定好每一批產品,如果您有遇到什么需要幫助解決的,可以直接聯系下方的聯系號碼或加QQ/微信,由我們的銷售經理給您精準的報價以及產品介紹

〈烜芯微/XXW〉專業制造二極管,三極管,MOS管,橋堆等,20年,工廠直銷省20%,上萬家電路電器生產企業選用,專業的工程師幫您穩定好每一批產品,如果您有遇到什么需要幫助解決的,可以直接聯系下方的聯系號碼或加QQ/微信,由我們的銷售經理給您精準的報價以及產品介紹
聯系號碼:18923864027(同微信)
QQ:709211280

