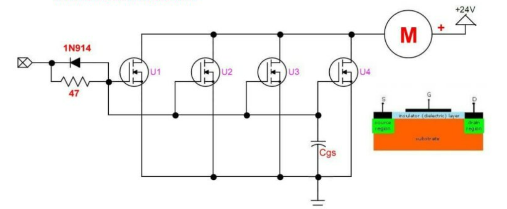
一.MOS管并聯的問題以及解決方案
對于NMOS而言,我們在G極施加正電壓,會吸引負電荷從而形成導通溝道,從MOS管的結構可以看出由于G和S以及D之間存在絕緣層,從而會產生寄生電容的問題。


當我們在開關電機這種感性負載時,當感性負載兩端的壓降降低后,GD之間寄生電容的存在會導致流經柵極電阻的電流增大,并且在dv/dt較大時,干擾會通過GD在柵極形成較大的干擾電壓,可能會使得MOS管誤導通。而GS之間的寄生電容的存在則會導致驅動波形變得畸形,MOS管的開關產生延時。


通過下圖能明顯看出從驅動器出來的方波驅動波形倒是MOS管柵極后就變了樣,所以問題就來了,一個MOS的柵極電容可能不算什么,但是當你把幾個MOS并聯起來后你會發現這個時候的柵極電容已經足夠大了,你完全不能忽略他了,所以你一定要測一下柵極的驅動波形,看看是不是已經畸變的不成樣子了?;蛘吣阋部梢栽谠O計之前先評估一下由于寄生電容導致的波形上升時間,我們可以在規格書中找到MOS的柵極寄生電容C,如果你的4個MOS并聯在一起,那總電容約等于4*C,如果柵極串聯的電阻是100R,那么時間常數就是4*C*100,一般3-5RC可以完成電容的充電,所以驅動波形上升時間大概是3*4*C*100。


知道了問題所在,接下來就談談怎么解決問題,寄生電容是MOS的固有特性,只要不換MOS型號,那么我們是沒法減小MOS的寄生電容容值的,所以我們只能從減小柵極電阻R出發,把所有柵極連在一起,只用一個柵極電阻,給電阻并聯一個二極管,這樣MOS關斷時由于二極管導通,電阻相當于被二極管短路,可以加速MOS關斷。或者選用驅動能力比較強的驅動IC也能改善此問題。


二.總結
MOS管并聯的應用,大家一定要注意驅動波形畸變的問題,特別是在PWM模式下工作時,驅動頻率高的話可能會出問題,這些都是需要我們在前期設計就要考慮。
〈烜芯微/XXW〉專業制造二極管,三極管,MOS管,橋堆等,20年,工廠直銷省20%,上萬家電路電器生產企業選用,專業的工程師幫您穩定好每一批產品,如果您有遇到什么需要幫助解決的,可以直接聯系下方的聯系號碼或加QQ/微信,由我們的銷售經理給您精準的報價以及產品介紹
聯系號碼:18923864027(同微信)
QQ:709211280

