
傳真:
18923864027
QQ:
709211280
地址:
深圳市福田區振中路84號愛華科研樓7層
大電流場效應管型號場效應管簡介在了解大電流場效應管型號之前,我們來了解一下場效應管知識,它主要有兩種類型(junction FET—JFET)和金
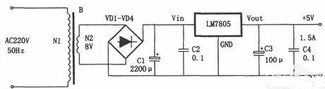
場效應管經典電路場效應管經典電路,場效應管的應用很廣,能夠用于調制、放大、阻抗變換、穩流、限流和自動維護等電路中,本文集合了穩壓電
1117三端穩壓器三端穩壓器三端穩壓器是一種直到臨界反向擊穿電壓前都具有很高電阻的半導體器件。穩壓管在反向擊穿時,在一定的電流范圍內(
mos電機驅動電路mos電機驅動(一)電機驅動mos電機驅動電路首先,單片機能夠輸出直流信號,但是它的驅動才能也是有限的,所以單片機普通做
MOS管,電路電流MOS管如何精準控制電路電流,MOS管即可用于放大電流,又可以作為可變電阻,還能用作電子開關,現已廣泛應用于電子設備中。而
PFC的英文全稱為Power Factor Correction,意思是功率因數校正,功率因數指的是有效功率與總耗電量(視在功率)之間的關系,也就是有效功
LED,驅動電源LED驅動電源簡介LED驅動電源是把電源供應轉換為特定的電壓電流以驅動LED發光的電源轉換器,通常情況下:LED驅動電源的輸入包括
MOS管,MOS管驅動電路MOS管概述mos管是金屬(metal)、氧化物(oxide)、半導體(semiconductor)場效應晶體管,或者稱是金屬—絕緣體(insulator)
SOT-223封裝,三端穩壓管SOT-223封裝尺寸及實物圖SOT-223封裝的三端穩壓管型號表烜芯微科技SOT-223封裝的三端穩壓管型號表SOT-223封裝 三端
TO-263封裝,MOS管MOS管封裝說明MOSFET芯片在制作完成之后,需要給MOSFET芯片加上一個外殼,即MOS管封裝。MOSFET芯片的外殼具有支撐、保護、冷
mos管規格書參數詳解mos管規格書參數詳解之讀懂每一個mos管參數在了解mos管規格書參數詳解之前,先來看看mos管的每一個參數代表什么及說明
P溝MOS晶體管金屬氧化物半導體場效應(MOS)晶體管可分為N溝道與P溝道兩大類,P溝道硅MOS場效應晶體管在N型硅襯底上有兩個P+區,叫源極和漏極